Разработка мероприятий по обеспечению безопасности и улучшению условий труда

В дипломном проекте приведены схемы увязки диспетчерской централизации «Неман» с устройствами электрической централизации и проведен анализ работы этих схем.

В заключительной части дипломного проекта приведен расчет надежности блока телеуправления по λ характеристикам.

В экономической части был произведен расчет экономического эффекта от создания программного обеспечения для управления и контроля объектов ЭЦ на станции Круговец посредством ДЦ «Неман».

В рамках охраны труда был рассмотрен вопрос по обеспечению безопасности при обслуживании устройств диспетчерской централизации системы «Неман».

диспетчерская централизация станция

Приложение А. ФУНКЦИИ, ВЫПОЛНЯЕМЫЕ ДЦ «НЕМАН»

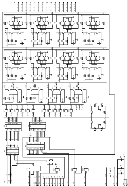
Приложение Б. БЛОК ТУ-16

Приложение В. Резистивная матрица блока ТУ16

Приложение Г. БЛОК ТС-32

Приложение Д. Резистивная матрица блока ТС32

Приложение Е. УСТРОЙСТВО СОПРЯЖЕНИЯ Ц32

Приложение Ж. ТАБЛИЦА ИМПУЛЬСОВ ТС

Приложение З. ТАБЛИЦА ИМПУЛЬСОВ ТУ

Приложение И. Пояснения к ТАБЛИЦЕ ИМПУЛЬСОВ

ИЗВЕСТИТЕЛЬНЫЕ КОДЫ

…ПК - «Плюсовой » контроль стрелок;

…МК - «Минусовой » контроль стрелок;

…ВЗ -Контроль взреза стрелок;

…П -Занятие путей;

…СП -Занятие стрелочных секций;

…Пз -Замыкание путей;

…СПз -Замыкание стрелочных секций;

…Я -Ячейка подсветки светофора;

…С -Открытие поездных сигналов;

…ПС -Открытие пригласительных сигналов;

…КО - Перегорание ламы красного света станционных светофоров;

…А -Неисправность входного светофора;

…СО -Авария входного светофора;

…О -Перегорание ламп станционных светофоров;

…МС -Открытие маневровых светофоров;

ЧКПБ -Контроль свободности перегона четного;

ЧКПК -Контроль занятости перегона четного;

ЧПП -Контроль получения отправления и прибытия;

НПО -Контроль путевого отправления;

ЧДС -Контроль дачи согласия на отправления с соседней станции;

УНПС -Контроль получения согласия на отправление;

НКЖ -Изъятие ключа-жезла (по отправлению соответствующего подхода);

НМ -Контроль нечетного маневрового маршрута;

Ч -Контроль четного поездного маршрута;

ЧМ -Контроль четного маневрового маршрута;

ВГ -Включение групповой отмены;

ОГ -Начало групповой отмены;

ОС -Отмена со свободного пути

ОП -Отмена поездного маршрута с занятого пути;

ОМ -Отмена маневрового маршрута с занятого пути;

РИ -Искусственное размыкание;

ВУ -Вспомогательное управление;

КМ -Контроль переключения на макет;

Перейти на страницу: 1 2 3 4 5 6 7 8 9 10 11

Читайте также

Проектирование устройства автоматической компенсации доплеровской частоты для СДЦ РЛС 5Н84А
Широкое применение радиолокационной техники в военных целях (воздушная и наземная разведки, навигация, вывод на траекторию ракет различного назначения) вызвало в последние годы бурное р ...

Проект устройства приема и обработки сигналов узловой станции коммерческой сотовой системы спутниково-космической телефонной связи
Радиоприемные устройства входят в состав радиотехнических систем связи, т.е. систем передачи информации с помощью электромагнитных волн. Радиоприемное устройство состоит из приемной ...

Основные принципы и задачи по организации технической эксплуатации ВОЛП
Техническую эксплуатацию линейно-кабельных сооружений магистральной и внутризоновых первичных сетей Российской Федерации организуют Минсвязи РФ и центры технической эксплуатации в соотв ...

Основные разделы

Все права защищены! (с)2025 - www.generallytech.ru