Работая в режиме программного обмена микроконтроллер проводит обращение к определенным устройствам (ОЗУ, ПЗУ, порты ввода-вывода), которые должны быть активизированы для работы. Эту функцию выполняет узел, называемый селектором адреса, который вырабатывает сигналы, соответствующие адресу того или иного устройства.
При проектировании селекторов адреса необходимо выполнять следующие требования:
1 высокое быстродействие (селектор адреса должен иметь задержку не более чем интервал между выставлением адреса и началом сигнала строба обмена);
2 возможность изменения селектируемых адресов;
3 малые аппаратурные затраты.
Селектор адреса памяти. Архитектурная особенность МП 1810 такова, что область ПЗУ удобнее располагать в области самых верхних адресов (с адреса FFFFFH и вниз) объемом не менее 64Кбайт. Область ОЗУ можно располагать в любом месте адресного пространства. Простой способ выбора области памяти ¾ использование старшего разряда адреса, который поделит область памяти на две части (рис. 2.5а, 2.6).

а б
Рис. 2.5
Рис. 2.6
Используя два старших разряда адреса можно разделить объем памяти на четыре области по 256 Кбайт (рис. 2.5б).
Самое простое решение при построении селектора адреса ¾ использование только логических элементов (рис. 2.7).
Рис. 2.7
Рис. 2.8
В такой схеме ПЗУ находится в сомой нижней (А19=0, А18=0) и в самой верхней (А19=1, А18=1) области адресов, а ОЗУ занимает среднюю область адресов (А19=0, А18=1, А19=1, А18=0).
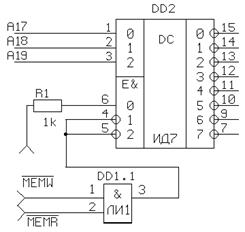
При увеличении количества областей памяти (при уменьшении их объема) селекторы адреса можно реализовать на микросхемах дешифраторов (рис. 2.8). Например, использование дешифратора К555ИД7 даст возможность получить 8 зон объемом 128 Кбайт (на микросхему подаются адреса А19 .А17), а дешифратор К555ИД13 - 16 зон по 64 Кбайта (на микросхему подаются адреса А19 .А16). Более мелкое деление нецелесообразно, т.к. минимальный объем сегмента МП 1810 64 Кбайт. Селектор адреса памяти должен срабатывать только при обращении к памяти, для этого необходимо кроме адресов на дешифратор подавать сигналы
, которые будут разрешать работу дешифратора во время обращения к памяти.
Читайте также
Разработка компьютерного измерительного комплекса вагона-лаборатории железнодорожной автоматики, телемеханики и связи
Измерительная техника - один из важнейших факторов ускорения
научно-технического прогресса практически во всех отраслях народного хозяйства.
Получение и обработка измерительной информа ...
Проектирование релейной защиты и автоматики
В электрической системе имеются следующие источники: ТЭЦ-1, ТЭЦ-2,
ТЭЦ-3, ТЭЦ-4, ТЭЦ-5, ГРЭС, СарГЭС и БАЭС. ТЭЦ-1, ГРЭС допускается отдельно не
учитывать, так как их мощность по сравнению с ...
Разработка комплекта электрических схем маршрутной релейной централизации блочного типа
Целью дипломного проектирование являлась разработка комплекта
электрических схем маршрутной релейной централизации блочного типа (БМРЦ) для
использования их студентами техникума в качест ...