1 Двунаправленная полудуплексная передача данных. Поток последовательных данных передаётся одновременно только в одну сторону, передача данных в другую сторону требует переключения приёмопередатчика. Приёмопередатчики принято называть "драйверами"(driver), это устройство или электрическая цепь, которая формирует физический сигнал на стороне передатчика. Рассмотрение соответствующего коммуникационного протокола выходит за рамки стандарта TIA/EIA-485-A. Получается, что специалист по разработке программного обеспечения волен применять любой тип сетевого протокола, который, по его мнению, подходит для данного проекта.
2 Симметричный канал связи. Для приёма/передачи данных используются два равнозначных сигнальных провода. Провода означаются латинскими буквами "А" и "В". По этим двум проводам идет последовательный обмен данными в обоих направлениях (поочередно). При использовании витой пары симметричный канал существенно повышает устойчивость сигнала к синфазной помехе и хорошо подавляет электромагнитные излучения создаваемые полезным сигналом.
Дифференциальный (балансный способ передачи данных). По своей природе линии передачи RS-485 дифференциальны. Существует два провода - А и B. Драйвер подает на оба провода комплементарные напряжения. На Рис. 2.2.1 представлено определение стандартом EIA-485-A параметров VOA, VOB и VO. При понижении напряжения VOA повышается напряжение VOB и, наоборот, при понижении напряжения VOB повышается напряжение VOA. Большинство физических частей также обладают возможностью вводить провода А и В в «третье состояние» (tristate, т.е. отключенное состояние).
 
 
Рисунок 2.2.1 - Взаимосвязь между параметрами VOA, VOB и VO
4 Многоточечность. Допускает множественное подключение приёмников и приёмопередатчиков к одной линии связи. При этом допускается подключение к линии только одного передатчика в данный момент времени, и множество приёмников, остальные передатчики должны ожидать освобождения линии связи для передачи данных.
5 Низкоимпендансный выход передатчика. Буферный усилитель передатчика имеет низкоомный выход, что позволяет передавать сигнал ко многим приёмникам. Стандартная нагрузочная способность передатчика равна 32-м приёмникам на один передатчик. Кроме этого, токовый сигнал используется для работы "витой пары" (чем больше рабочий ток "витой пары", тем сильнее она подавляется синфазные помехи на линии связи).
Зона нечувствительности. Если дифференциальный уровень сигнала между контактами АВ не превышает ±200мВ, то считается, что сигнал в линии отсутствует. Это увеличивает помехоустойчивость передачи данных.
7 Четырехпроводной интерфейс. Интерфейс RS-485 имеет две версии: двухпроводную и четырехпроводную. Двухпроводная используется для полудуплексной передачи (рис. 2.2.2), когда информация может передаваться в обоих направлениях, но в разное время. Для полнодуплексной (дуплексной) передачи используют четыре линии связи: по двум информация передается в одном направлении, по двум другим - в обратном (рис. 2.2 .3).
 
 
Рисунок 2.2.2 - Соединение трех устройств с интерфейсом RS-485 по двухпроводной схеме
Недостатком четырехпроводной (рис. 2.2 <http://www.bookasutp.ru/Chapter2_3.aspx>.3) схемы является необходимость жесткого указания ведущего и ведомых устройств на стадии проектирования системы, в то время как в двухпроводной схеме любое устройство может быть как в роли ведущего, так и ведомого.
 
 
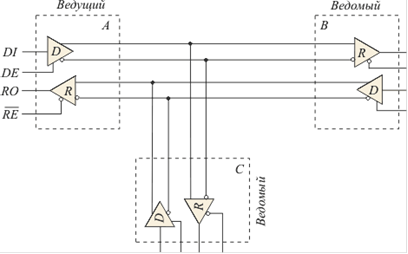
Рисунок 2.2.3 - Четырехпроводное соединение устройств с интерфейсом RS-485
Достоинством четырехпроводной схемы является возможность одновременной передачи и приема данных, что бывает необходимо при реализации некоторых сложных протоколов обмена.
Читайте также
Моделирование радиомаячной системы посадки метрового диапазона с помощью программы Micro-Cap
	
Функциональные возможности использования авиации во многом
определяются качеством решения задач навигации, в частности, уровнем развития
устройств и систем радионавигации.
Под термино ...
	
Проектирование корпоративной сети
	
Информационная сеть - сеть, предназначенная для обработки, хранения и
передачи данных. Информационная сеть состоит из:
·        абонентских и административных систем;
·        связы ...
	
Проектирование устройства для измерения статических характеристик электромагнитного двигателя
	
Ветер - это горизонтальное перемещение, поток воздуха параллельно земной
поверхности, возникающее в результате неравномерного распределения тепла и
атмосферного давления и направленное и ...