Буфер считывания DD4(KR1533AP14) принимает данные (через оптрон) с устройств сбора информации и выставляет их на внутреннюю шину Е1-Е8.
Средства диагностики предназначены для выполнения диагностических функций и включают в себя два светодиода VD1 и VD2.
 
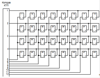
Рисунок 7 - Схема подключения блоков ТУ, ТС к колодке КТП
Устройство сопряжения Ц32 является цифровым устройством. Вся информация представляется в виде логических «0» и «1». Плата Ц32 вставляется в разъем шины расширения ПЭВМ и реагирует на адреса 03АЕ и 03AF. Устройство сопряжения Ц32 может обслуживать до 32 абонентов (модулей сбора информации и управления), с которыми соединяется посредством кабеля и колодки переходной (КТП) ДКТБ808-35.00.00. Колодка переходная КТП предназначена для перекроссировки сигналов, поступающих из ЭВМ с 25-контактного разъема на 14-контактный разъем.
Архитектура организации связи устройства Ц32 с абонентами представлена на рисунке 7.
В таблице 8 приведено назначение контактов кроссировочной колодки КТП.
Таблица 7- Назначение контактов кроссировочной колодки КТП
|  
 кон  |   
 Назначение цепи  |   
 кон  |   
 Назначение цепи  |  
|  
 1  |   
 Шина обмена данными В1Х  |   
 2  |   
 Шина обмена данными В2Х  |  
|  
 3  |   
 Шина обмена данными ВЗХ  |   
 4  |   
 Шина обмена данными В4Х  |  
|  
 5  |   
 Шина обмена данными ВХ1  |   
 6  |   
 Шина обмена данными ВХ2  |  
|  
 7  |   
 Шина обмена данными ВХЗ  |   
 8  |   
 Шина обмена данными ВХ4  |  
|  
 9  |   
 Шина обмена данными ВХ5  |   
 10  |   
 Шина обмена данными ВХ6  |  
|  
 11  |   
 Шина обмена данными ВХ7  |   
 12  |   
 Шина обмена данными ВХ8  |  
|  
 13  |   
 Шина диагностики ВТ1  |   
 14  |   
 Шина диагностики ВТ2  |  
Из рисунка 6 видно, что абоненты располагаются в виде матрицы 4x8. Доступ возможен одновременно к 8-ми абонентам. Эти абоненты составляют строку. Чтобы выбрать нужную строку, необходимо подать на один из четырех однонаправленных усилительных выходных каскадов (Y1,Y2,Y3,Y4 соответственно) синхропакет, состоящий из 10-ти импульсов. Работа происходит на синхронизирующей частоте. Это удобно с той точки зрения, что скоростью работы можно управлять программно.
Если на Y подается синхропакет. то соответствующая строка активизируется и за время прохождения этого пакета происходит считывание или передача информации.
Читайте также
Разработка конструкции и технологии производства охранной сигнализации на 8 объектов
	
Цель курсового проекта - разработка конструкции и технологии изготовления
охранной сигнализации на 8 объектов.
Исходные данные для разработки: задание на курсовое проектирование,
прин ...
	
Проектирование спутниковой линии связи между городом Якутск и поселком Черский
	
Стремительное развитие космонавтики, успехи в изучении и
исследовании околоземного и межпланетного космического пространства выявили
весьма высокую эффективность использования околоз ...
	
Проектирование системы автоматического управления очистки стекла спортивного самолета
	
Задачи
по управлению тем или иным явлением или процессом, возникающие в повседневной
практической деятельности человека обширны и многообразны.
Управление
можно определить как совоку ...