Схема на основе синхронного 4-разрядного двоичного счетчика с двойной синхронизацией К155ИЕ5 (74193)

Таблица 2. Предельно допустимые режимы эксплуатации

1

Напряжение питания

не более 6 В

2

Минимальное напряжение на входе

-0,4 В

3

Максимальное напряжение на входе

5,5 В

4

Минимальное напряжение на выходе

-0,3 В

5

Максимальное напряжение на выходе закрытой ИС

5,25 В

6

Температура окружающей среды К155ИЕ5

-10 .+70 ° C

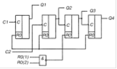
Рис. 2. Схема подключения синхронного 4-разрядного двоичного счетчика 74193

Рис. 3. Функциональная схема

Рис. 4. Условное графическое обозначение

1 -вход счетный С2; 2 - вход установки 0 R0(1); 3 - вход установки 0 R0(2); 4,6,7,13 - свободные; 5 - напряжение питания +Uп; 8 - выход Q3; 9 - выход Q2; 10 - общий; 11 - выход Q4; 12 - выход Q1; 14 - вход счетный C1;

Основные параметры и характеристики двухполупериодного диодного моста D5SBA60

Таблица 3. Технические характеристики диодного моста

Пиковое обратное напряжение:

600 V

Максимальный ток перегрузки:

120 A

Падение напряжения в прямом направлении:

1.05 V

Максимальный обратный ток утечки:

10 uA

Максимальная рабочая температура:

+ 150 C

Длина:

30 mm

Ширина:

4.6 mm

Высота:

20 mm

Вид монтажа:

Through Hole

Основные параметры и характеристики диода 1N4376

Основные параметры и характеристики низкочастотного n-p-n транзистора

2N4064of transistor: Si: n-p-ncollector power dissipation (Pc): 10Wcollector-base voltage (Ucb): 300Vcollector-emitter voltage (Uce): 250Vemitter-base voltage (Ueb): 7Vcollector current (Ic max): 1Ajunction temperature (Tj): 200°Cfrequency (ft): 15MHzcapacitance (Cc), Pf: 10current transfer ratio (hFE), min/max: 40MINof 2N4064 transistor: RCAof 2N4064 transistor: TO131

Основные параметры и характеристики n-p-n транзистора Q2N2222

Category

Discrete Semiconductor Products

Family

Transistors (BJT) - Single

Series

-

Transistor Type

NPN

Current - Collector (Ic) (Max)

600mA

Voltage - Collector Emitter Breakdown (Max)

40V

Vce Saturation (Max) @ Ib, Ic

1V @ 50mA, 500mA

Current - Collector Cutoff (Max)

10nA

DC Current Gain (hFE) (Min) @ Ic, Vce

100 @ 150mA, 10V

Power - Max

625mW

Frequency - Transition

300MHz

Mounting Type

Through Hole

Package / Case

TO-226-3, TO-92-3 (TO-226AA)

Supplier Device Package

TO-92-3

Перейти на страницу: 1 2 3

Читайте также

Разработка комплекта электрических схем маршрутной релейной централизации блочного типа
Целью дипломного проектирование являлась разработка комплекта электрических схем маршрутной релейной централизации блочного типа (БМРЦ) для использования их студентами техникума в качест ...

Проектирование устройства для измерения статических характеристик электромагнитного двигателя
Ветер - это горизонтальное перемещение, поток воздуха параллельно земной поверхности, возникающее в результате неравномерного распределения тепла и атмосферного давления и направленное и ...

Программно-аппаратный комплекс, позволяющий проводить эксперименты по одновременному управлению несколькими мобильными объектами
В настоящее время в области искусственного интеллекта (ИИ) происходят заметные преобразования. Источниками этих преобразований служат распределенный искусственный интеллект (РИИ), центра ...

Основные разделы

Все права защищены! (с)2026 - www.generallytech.ru