Датчик обратной связи

Датчик наклона РФ 711 содержит пузырьковый уровень, подобный ампуле обычного столярного уровня, но более точный. Положение пузырька определяется электроникой путем очень точного измерения его положения относительно проводника, проходящего через уровень. Положение пузырька отслеживается постоянно. Таким образом, блок управления может вычислять угол коррекции.

Выходной сигнал: аналоговый 0…5 В или цифровой RS-232;

Диапазон измеряемой величины - 90…+90°

Постоянная времени не более 0,1 c;

Погрешность: 10 угл. мин.;

Степень защиты: IP65;

Нелинейность: не более 2%;

Рабочая температура: - 40…+50°;

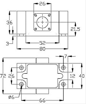
Габариты: 80x40x36 мм;

Вес 1,1 кг.

Габаритные и установочные размеры указаны на рисунке 3.

Рисунок 4 - Установочные и габаритные размеры датчика РФ711.

Крепление датчика производится основанием к вертикальной поверхности (отклонение ±21°), причем верхней стороной считается сторона с маркировкой "U”.

Статической характеристикой данного датчика является зависимость Uвых = f (Q), где Uвых - выходное напряжение, Q - угол наклона датчика.

Рисунок 5 - Статическая характеристика.

Зависимость линейная, т.к. чувствительный элемент пропорционально переводит угол наклона прибора в положение пузырька воздуха относительно металлической нити, что изображено на рисунке 2.

Рисунок 6 - Чувствительный элемент датчика наклона.1 - Корпус уровня; 2 - жидкость; 3 - пузырек газа; 4 - металлическая нить.

Нелинейность возможна при изменении формы корпуса и соответственно профиля дуги, по которой перемещается пузырек.

Передаточная характеристика.

Движение пузырька газа в жидкости, ограниченное круглой или цилиндрической поверхностью, описывается уравнением

, (32)

где q - угол наклона пузырька [рад]; F - внешнее воздействие на уровень, эквивалентное наклону [Н]; m, m1 - масса воды в уровне и пузырька воздуха, [кг]; e - радиус движения пузырька, [м]; m, m1 - динамические вязкости жидкости и воздуха [Па×с]; n - кинематическая вязкость жидкости [м2/с]; r - плотность жидкости [кг/м3]; V - объем пузырька воздуха [м3]; g - ускорение свободного падения [м/с2].

Физические размеры уровня датчика РФ711:

Рисунок 7 - Физические размеры чувствительного элемента датчика РФ711: a = 0,025 м,b = 0,004 м, c = 0,002 м.

Учитывая, что

- объем пузырька газа; (33)

- масса пузырька воздуха; (34)

r1 = 1,1 кг/м3 - плотность воздуха; (35)

- масса жидкости; (36)

Примем значения величин m = 0,094 кг, m1 = 3,6×10-6 кг, e = 0,0029 м, m = 1,78 Па×с, m1 =10-7 Па×с, n = 3,5 м2/с, r = 1000 кг/м3, V = 3,35×10-8 м3, g = 9,8 м/с2;

получим уравнение динамики вида

. (37)

Передаточная функция запишется в виде:

. (38)

Коэффициент при p2 на три порядка меньше коэффициента при p, поэтому пренебрежем им. Передаточная функция примет вид

. (39)

Таким образом, геометрические параметры чувствительного элемента датчика угла наклона серии РФ700 удовлетворяют требованиям быстродействия, предъявляемым к данной системе.

Читайте также

Нанотехнологии в науке и технике
В течение тысячелетий человек использовал в быту и технике макроскопические тела, состоящие из большого числа атомов, будь это каменный топор или авиалайнер. Первая научно- ...

Проектирование системы автоматического управления очистки стекла спортивного самолета
Задачи по управлению тем или иным явлением или процессом, возникающие в повседневной практической деятельности человека обширны и многообразны. Управление можно определить как совоку ...

Модуль шестнадцатиразрядного двоичного реверсивного счетчика с параллельно-последовательным переносом, с предустановкой и выводом информации по два разряда, начиная с младшего
В настоящее время происходит компьютеризация практически во всех областях науки, техники, производства…Предпочтение отдается цифровым технологиям, которые считаются более продвинутыми и ...

Основные разделы

Все права защищены! (с)2026 - www.generallytech.ru